GA»Æ½ð¼×

GA»Æ½ð¼×µçÆø¼¯ÍÅ

GA»Æ½ð¼×(Öйú)×îйٷ½ÍøÕ¾

ex

PE

EX

Õæ¿Õ¶Ï·Æ÷

PRODUCT

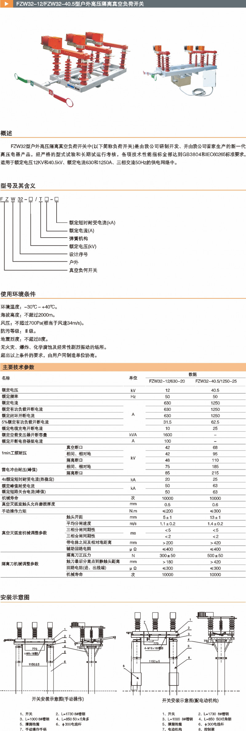
FZW32-12(40.5)»§Íâ¸ßѹ¸ôÀëÕæ¿Õ¸ººÉ¿ª¹Ø

²úÆ·¸ÅÊö Feature


²úÆ·¼ÛÇ® Price

¼ÛÇ®¹æ¸ñ×îÏÈÈÕÆÚ¿¢ÊÂÈÕÆÚ
0.00Ôª/¸ö2020-10-06 00:00:002020-10-06 00:00:00
ÍêÉÆ×ÊÁÏ
  • ÕæÊµÐÕÃû

  • ÊÖ»úºÅÂë

    ¡ù ÇëÌîÐ´ÕæÊµÊÖ»úºÅÂëÒÔ±ãÎÒÃÇÓëÄúÁªÏµ

  • QQ

  • ÑéÖ¤Âë

¹Ø±Õ

µØµã : Õã½­Ê¡ ÀÖÇåÊÐ ¾­¼Ã¿ª·¢Çø ±õº£ÄÏÈý·68ºÅ / ÊÖ»ú : +86 17895754287

µç»° : +86-577-62057777 86-577-62058899 / ´«Õæ : +86-577-62059988

GA»Æ½ð¼×(Öйú)×îйٷ½ÍøÕ¾

·µ»Ø¶¥²¿

¡¾ÍøÕ¾µØÍ¼¡¿¡¾sitemap¡¿