ÆóÒµÓÊÏä
CHNENG
ex
PE
EX
±äµç½ð¾ß
²úÆ·¸ÅÊö Feature
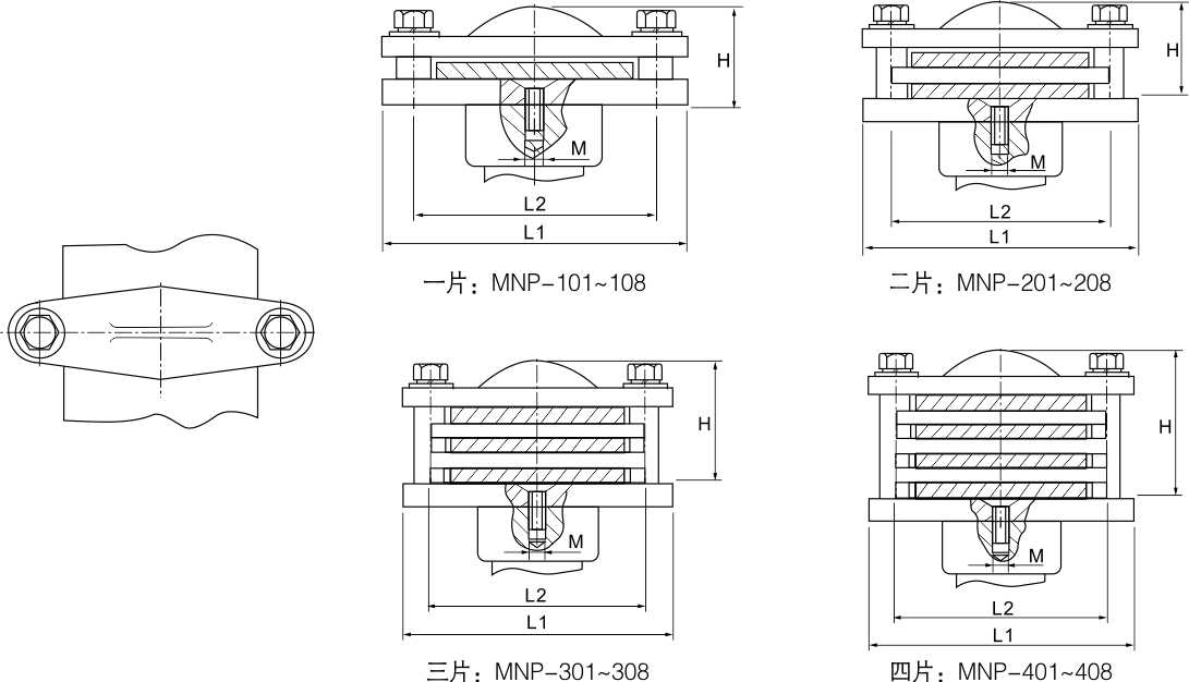
ÉϸǰåΪÂÁºÏ½ð¼þ£¬£¬£¬£¬ÆäÓàΪÈȶÆÐ¿¸ÖÖÆ¼þ¡£¡£¡£¡£¡£¡£¡£
Ðͺż°¼ÄÒå
ĸÏßÐͺÅÌåÏÖÒªÁì
²úÆ·¼ÛÇ® Price
ÕæÊµÐÕÃû
ÊÖ»úºÅÂë
¡ù ÇëÌîÐ´ÕæÊµÊÖ»úºÅÂëÒÔ±ãÎÒÃÇÓëÄúÁªÏµ
QQ
ÑéÖ¤Âë
µØµã : Õã½Ê¡ ÀÖÇåÊÐ ¾¼Ã¿ª·¢Çø ±õº£ÄÏÈý·68ºÅ / ÊÖ»ú : +86 17895754287
µç»° : +86-577-62057777 86-577-62058899 / ´«Õæ : +86-577-62059988
copyright © GA»Æ½ð¼×µçÆø¼¯ÍÅ. ALL RIGHT RESERVED.
ÕãICP±¸05024005ºÅ-1Á®ÕþÓÊÏ䣺cac@hogn.com.cn